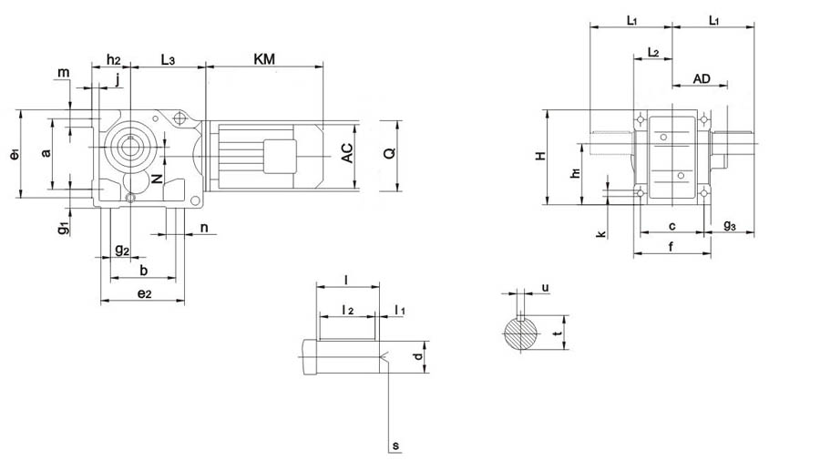
Габаритные и присоединительные размеры серии-К

 

 

Технические характеристики

Габаритные и присоединительные размеры

Варианты установки

Передаточные числа и максимальный крутящий момент

На главную

 

Серия - KA
Серия - KA

 

Исполнение с выходным одно или двухстороним цилиндрическим валом (К37-К157)

 


Габаритные и присоединительные размеры серии-К

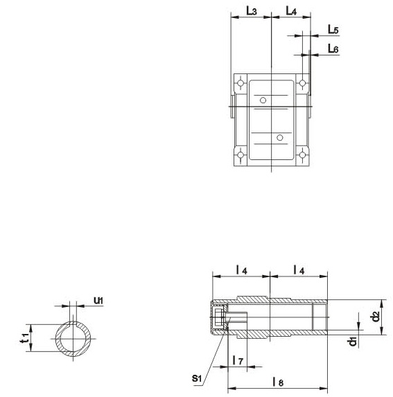
Исполнение с выходным полым валом (КА37-КА157)

Исполнение с выходным полым валом

 

Типоразмер

a

b

с

e1

e2

f

g1

g2

g3

h1

h2

j

k

m

n

Размеры выходного вала

d

l

l1

l2

S

t

u

K37..

115

110

100

150

143

120

32

28

60

100-0.5

63-0.5

16

11

37

38

25k6

50

5

40

M10

28

8

K47..

KA47B..

130

130

120

170

162

145

37

35

75

112-0.5

71-0.5

188

11

37

32

30 k6

60

3.5

50

M10

33

8

K57..

KA57B..

150

130

130

190

172

157

45

30

88

132-0.5

80-0.5

21

13.5

43

40

35 k6

70

7

56

M12

38

10

K67..

KA67B..

160

120

140

203

170

170

45

30

101

140-0.5

90-0.5

24

13.5

43

45

40 k6

80

5

70

M16

43

12

K77..

KA77B..

200

150

165

263

208

200

55

40

123.5

180-0.5

112-0.5

27

17.5

55

55

50 k6

100

10

80

M16

53.5

14

K87..

KA87B..

133

180

180

305

360

230

70

55

150

212-0.5

132-0.5

32

22

67

75

60m6

120

5

110

M20

64

18

K97..

KA97B..

295

240

240

372

294

290

75

75

171

265-1

160-0.5

36

26

82

60

70m6

140

7.5

125

M20

74.5

20

K107..

KA107B..

260

280

270

448

380

340

95

95

212

315-1

200-0.5

40

33

98

100

90m6

170

5

160

M24

95

25

K127..

KA127B..

420

350

330

526

440

400

110

115

253

375-1

225-0.5

45

39

111

100

110m6

210

15

180

M24

116

28

K157..

KA157B..

500

380

420

634

480

500

130

140

247

450-1

280-1

50

39

130

100

120m6

210

5

200

M24

127

32

 

Типоразмер

Размеры полого выходного вала

H

L1

L2

L3

N

Q

d1

d2

l3

l4

l5

l6

l7

l8

s1

t1

u1

K37..

-

-

-

-

-

-

-

165

110

60

139

8.5

120

K47..

KA47B..

35H7

50

78

75

15

3

22

132

M12x30

38.3

10

185

135

72

166

7.2

160

K57..

KA57B..

40H7

55

86

83

18

3

29

142

M16x40

43.3

12

217

153

80

173

13.1

160

K67..

KA67B..

40H7

55

93

90

20

3.5

29

156

M16x40

43.3

12

228

171

86.5

179

20

160

K77..

KA77B..

50H7

70

108

105

22.5

4

32

183

M16x45

53.8

14

228

206

101

202

31.3

200

K87..

KA87B..

60H7

85

123

120

30

4

36

210

M20x50

64.4

18

340

240

116

257

25.9

250

K97..

KA97B..

70H7

95

153

150

30

4

34

270

M20x50

74.9

20

417

291

146

277

32.3

300

K107..

KA107B..

90H7

118

178

175

40

2.5

40

313

M24x60

95.4

25

503

347

175

341

52

350

K127..

KA127B..

100H7

135

208

205

40

2.5

38

373

M24x60

106.4

28

592

418

203

390

53

450

K157..

KA157B..

120H7

155

253

250

40

36

460

M24x60

127.4

32

705

457

250

426

71.7

550



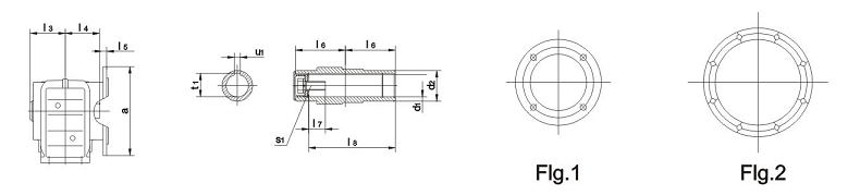
Серия - KAF
Серия - KAF

 

 

Исполнение с выходным фланцем и цилиндрическим валом (KF37-KF157)

 

Исполнение с выходным фланцем и цилиндрическим валом (KF37-KF157)

 

Исполнение с выходным фланцем и полым валом (KAF37-KAF157)

 

Исполнение с выходным фланцем и полым валом (KAF37-KAF157)

 

Типоразмер

Тип фланца (в зависимости от количества крепежных отверстий)

a

b

с

е

f

g

h

Размеры выходного вала

Размеры полого выходного вала

H

L1

L2

L3

L4

N

Q

d

l

l1

l2

S

t

u

d1

d2

L3

L4

L5

L6

L7

L8

S1

t1

u1

KF37..

KАF37..

Flg.1

160

110j6

3.5

10

130

9

100

25k6

50

5

40

M10

28

8

30H7

45

63

60

24

60

17

105

M10x25

33.3

8

164

57.5

134

210

139

8.5

120

KF47..

KAF47..

Flg.1

200

130j6

3.5

10

165

11

112

30k6

60

3.5

50

M10

33

8

35H7

50

78

75

25

75

22

132

M12x30

38.3

10

185

72

160

243

166

7.2

160

KF57..

KAF57..

Flg.1

250

180j6

4

15

215

13.5

132

35k6

70

7

56

M12

38

10

40H7

55

86

83

23.5

83

29

142

M16x40

43.3

12

215

80

177

269

173

13.1

160

KF67..

KAF67..

Flg.1

250

180j6

4

15

215

13.5

140

40k6

80

5

70

M16

43

12

40H7

55

94

90

23

90

29

156

M16x40

43.3

12

226

86.5

193

274

179

20

160

KF77..

KAF77..

Flg.1

300

230j6

4

16

265

13.5

180

50k6

100

80

10

M16

53.5

14

50H7

70

108

105

37

105

32

183

M16x45

53.8

14

286

101

242

312

202

31.3

200

KF87..

KAF87..

Flg.1

350

250h6

5

18

300

17.5

212

60m6

120

5

110

M20

64

18

60H7

85

123

120

30

120

36

210

M20x50

64.4

18

338

138

270

390

257

25.9

250

KF97..

KAF97..

Flg.2

450

350h6

5

22

400

17.5

265

70m6

140

7.5

125

M20

74.5

20

70H7

95

153

150

41.5

150

34

270

M20x50

74.9

20

414

171

332

435

277

32.3

300

KF107..

KAF107..

Flg.2

450

350h6

5

25

400

17.5

315

90m6

170

5

160

M24

95

25

90H7

118

178

175

41

175

40

313

M20x60

95.4

25

500

175

386

537

341

52

350

KF127..

KAF127..

Flg.2

550

450h6

5

22

500

17.5

375-1

110m6

210

15

180

M24

116

28

100H7

135

208

205

51

205

38

373

M20x60

106.4

28

592

203

466

615

390

53

450

KF157..

KAF157..

Flg.2

660

550h6

6

28

600

22

450-1

120m6

210

5

200

M24

127

32

120H7

155

253

250

60

250

36

460

M20x60

127.4

32

705

253

520

706

705

71.7

550


 

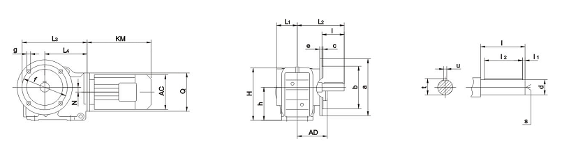
Размеры входного фланца под электродвигатель (IEC - стандарт)

 

Размеры входного фланца под электродвигатель (IEC - стандарт)

 

 

 

Fig

B5

E5

F5

G2

G5

S5

Z5

D1

L1

T1

U1

K..37

AM63

1

95

115

3,5

120

140

М8

72

11

23

12,8

4

AM711)

110

130

160

14

30

16,3

5

AM801)

130

165

4,5

200

М10

106

19

40

21,8

6

AM901)

24

50

27,3

8

К..47

AM63

1

95

115

3,5

160

140

М8

66

11

23

12,8

4

AM71

110

130

160

14

30

16,3

5

AM80

130

165

4,5

200

М10

99

19

40

21,8

6

AM90

24

50

27,3

8

AM1001)

180

215

5

250

М12

134

28

60

31,3

8

AM1121)

К..77

AM63

1

95

115

3.5

200

140

M8

60

11

23

12.8

4

AM71

110

130

160

14

30

16.3

5

AM80

130

165

4.5

200

M10

92

19

1\40

21.8

6

AM90

24

50

27.3

8

AM1001)

180

215

5

250

M12

126

28

60

31.3

8

AM1121)

AM132S1)

AM132M1)

230

265

5

300

179

38

80

41.3

10

AM132ML1)

K..87

AM80

1

130

165

4.5

250

200

M10

87

19

40

21.8

6

AM90

24

50

27.3

8

AM100

180

215

5

250

M12

121

28

60

31.3

8

AM112

AM132S

AM132M

230

265

300

174

38

80

41.3

10

AM132ML

AM1601)

250

300

6

350

M16

232

42

110

45.3

6

AM1801)

48

51.8

8

K..97

AM100

1

180

215

5

300

250

M12

116

28

60

31.3

1

AM112

AM132S

AM132M

230

265

300

169

38

80

41.3

10

AM132ML

AM160

250

300

6

350

M16

227

42

110

45.3

12

AM180

48

51.8

14

AM2001)

300

350

7

400

268

55

59.3

16

AM2251)

2

350

400

450

283

60

140

64.4

18


 

 

 

Fig

B5

E5

F5

G2

G5

S5

Z5

D1

L1

T1

U1

K..107

AM100

1

180

215

5

350

250

M12

110

28

60

31.3

8

AM112

AM132S

230

265

300

163

38

80

41.3

10

AM132M

AM132ML

AM160

250

300

6

350

M16

221

42

110

45.3

12

AM180

48

51.8

14

AM200

300

350

7

400

262

55

59.3

16

AM225

2

350

400

450

277

60

140

64.4

18

K..127

AM132S

1

230

265

5

450

300

M12

148

38

80

41.3

10

AM132M

AM132ML

AM160

250

300

6

350

M16

206

42

110

45.3

12

AM180

48

51.8

14

AM200

300

350

7

400

247

55

59.3

16

AM225

2

350

400

450

262

60

140

64.4

18

AM250

450

500

550

336

65

69.4

AM280

75

79.9

20

K..157

K..167

K..187

AM160

1

250

300

6

550

350

M16

198

42

110

45.3

12

AM180

48

51.8

14

AM200

300

350

7

400

239

55

59.3

16

AM225

2

350

400

450

254

60

140

64.4

18

AM250

450

500

550

328

65

69.4

AM280

75

79.9

20


 

Двухступенчатые цилиндрические редукторы 1Ц2У-100, 1Ц2У-125, 1Ц2У-160, 1Ц2У-200, 1Ц2У-250

Одноступенчатые цилиндрические редукторы серии ЦУ-100, ЦУ-160, ЦУ-200, ЦУ-250

Двухступенчатые цилиндрические редукторы серии 1Ц2У-315Н, 1Ц2У-355Н, 1Ц2У-400Н, 1Ц2Н-450, 1Ц2Н-500

Трехступенчатые цилиндрические редукторы ЦЗУ-160, ЦЗУ-200, ЦЗУ-250

Одноступенчатые червячные редукторы серии 1Ч-63А

Одноступенчатые червячные редукторы Ч-100, Ч-125, Ч-160

Одноступенчатые червячные редукторы 1Ч-160

Двухступенчатые редукторы Ч2-160

Редукторы червячные одноступенчатые 4Ч-80

Одноступенчатые червячные редукторы Ч-80

Одноступенчатые червячные редукторы 2Ч-40, 2Ч-63, 2Ч-80

Цилиндрические соосные мотор-редукторы MTC A

Цилиндрические соосные мотор-редукторы R (RF)

Двухступенчатые мотор-редукторы 4МЦ2С, 4МЦ2С-63, 4МЦ2С-80, 4МЦ2С-100, 4МЦ2С-125

Цилиндрические мотор-редукторы 1МЦ2С, 1МЦ2С-63, 1МЦ2С-80, 1МЦ2С-100, 1МЦ2С-125

Цилиндрические плоские мотор-редукторы серии F

Мотор-редукторы планетарные тип: 3МП-31,5; 3МП-40; 3МП-50; 3МП-63; 3МП-80; 3МП-100; 3МП-125

Мотор-редукторы планетарные двухступенчатые МПО2М-10, МПО2М-15

Мотор-редукторы планетарные одноступенчатые типа МПО1М-10

Мотор-редукторы планетарные МРВ-02 и МРВ-04

Волновые мотор-редукторы ЗМВз

Цилиндро-конические мотор-редукторы K



 
© 2014 Редукторы, мотор-редукторы, устройства плавного пуска, преобразователи частоты