Мотор-редукторы планетарные одноступенчатые типа МПО1М-10: характеристики, устройство, принцип работы, цена

МПО1М-10
Одноступенчатые планетарные мотор-редукторы серии МПО1М-10 применятся преимущественно в химической промышленности. Способ крепления – опорный фланец, установка вертикальная или горизонтальная. Номенклатура серии МПО1М-10 представлена двумя вариантами передаточных чисел (5,74 и 7,34). Штатно на редукторы устанавливаются общепромышленные асинхронные электродвигатели серии АИР, возможна установка взрывозащищенных двигателей или двигателей со встроенным тормозом.

 

 

УСЛОВИЯ ПРИМЕНЕНИЯ РЕДУКТОРОВ

  • Реверс выходного вала в любую сторону без потери момента
  • Время работы до 24 час/сут, режим работы S1 (ГОСТ 183-74)
  • Напряжение питания 220/380В от сети переменного тока с частотой 50 Гц
  • Климатические условия (У, Т) категория размещения (1, 2)
  • Запыленность токопроводящей пылью не более 10мг/м3
  • Температурный режим от -40°С до +45°С
  • Частота вращения электродвигателя не должна превышать 1500 об/мин
  • Максимально крутящий момент на выходном валу 430 Нм
  • Радиальная и консольная нагрузка на выходном валу не должна превышать 1500Н.

 

Мотор-редукторы планетарные одноступенчатые типа МПО1М-10
Мотор-редукторы планетарные одноступенчатые типа МПО1М-10

 

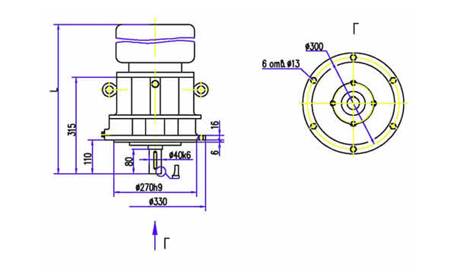
Габаритные и присоединительные размеры

 

Ф - горизонтальное исполнение (крепление на опорном фланеце)

Ф - горизонтальное исполнение (крепление на опорном фланеце)

В – исполнение

В – исполнение

ВК – исполнение

ВК – исполнение

Ф2В – исполнение

Ф2В – исполнение


Ф2П – исполнение

Ф2П – исполнение


Технические характеристики


Модель мотор-редуктора
Передаточное число
Частота вращения выходного вала, об/мин
Крутящий момент на выходном валу, Нм
Электродвигатель
Масса кг
Модель
Мощность, кВт
МПО1М-10-7,34-3,0/130
7,34
130
210
АИР112М6
3,0
125
МПО1М-10-5,74-3,0/170
5,74
170
160
АИР112М6
3,0
125
МПО1М-10-5,74-5,5/170
5,74
170
290
АИР132S6
5,5
150
МПО1М-10-7,34-3,0/195
7,34
195
140
АИР100S4
3,0
105
МПО1М-10-7,34-5,5/195
7,34
195
260
АИР112М4
5,5
125
МПО1М-10-5,74-3,0/250
5,74
250
110
АИР100S4
3,0
105
МПО1М-10-5,74-5,5/250
5,74
250
205
АИР112М4
5,5
125
МПО1М-10-5,74-7,5/250
5,74
250
278
АИР132S4
7,5
150

 


 
© 2014 Редукторы, мотор-редукторы, устройства плавного пуска, преобразователи частоты