|

Мотор-редукторы планетарные МРВ-02 и МРВ-04: характеристики, устройство, принцип работы, цена |
|
Малогабаритные планетарные редукторы серии МРВ-02, МРВ-04 применяются в качестве привода машин в химической промышленности. Серия МРВ выпускается в двух типоразмерах и креплением на опорном фланце. Мотор-редукторы имеют низкую массу и высокую перегрузочную способность. Более подробную информацию можно получить у наших инженеров. |
|
УСЛОВИЯ ПРИМЕНЕНИЯ РЕДУКТОРОВ
- Направление вращения выходного вала в любую сторону без потери момента
- Режим работы до 24 час/сут, режим работы S1 (ГОСТ 183-74)
- Питание от сети переменного тока 220/380В с частотой 50 Гц
- Климатические условия (У, Т) категория размещения (1, 2)
- Степень запыленности помещения где находится мотор-редуктор не более 10мг/м3
- Рабочий температурный режим от -40°С до +50°С
- Скорость вращения электродвигателя не более 1500 об/мин
- Максимально крутящий момент на выходном валу 124 Нм.
Габаритные и присоединительные размеры
Горизонтальное исполнение (крепление на опорном фланеце)

Выходной вал

Габарит |
L, мм |
D4, мм |
Масса, кг |
4А56А4 |
170 |
120 |
4,3 |
4А63А4 |
220 |
130 |
6,1 |
4A71A4 |
245 |
200 |
15,7 |
4A71B4 |
245 |
200 |
15,7 |
В63А4 |
245 |
160 |
20 |
В71B4 |
265 |
200 |
23 |
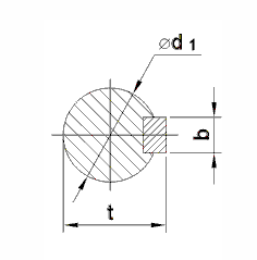
Размеры, мм |
МРВ 02
одноступенчатый |
МРВ 02
двухступенчатый |
МРВ 04 |
D |
80h9 |
80h9 |
110h9 |
D1 |
130 |
130 |
175 |
D2 |
110 |
110 |
150 |
D3 |
152 |
152 |
205 |
l |
33 |
33 |
45 |
l1 |
2 |
2 |
2 |
l2 |
3 |
3 |
3 |
l3 |
5 |
5 |
6 |
L1max |
160 |
208 |
244 |
L2 |
9 |
9 |
10 |
L3 |
60 |
60 |
80 |
d1 |
18K6 |
18K6 |
22К6 |
t |
20,5 |
20,5 |
24,5 |
b |
6h9 |
6h9 |
6h9 |
d2 |
11 |
11 |
11 |
n |
3 |
3 |
4 |
Масса без мотора, кг |
5,6 |
5,6 |
11,3 |
Технические характеристики
Тип мотор-редуктора |
Передаточное число i |
Частота вращения выходного вала, об/мин |
Крутящий момент на выходном валу, Н*м |
Электродвигатель |
Масса мотор-редуктора, кг |
тип электродвигателя |
Мощность, кВт |
Масса без мотора, кг |
МРВ02-0,75 / 355 |
4 |
355 |
20 |
АИР71В4 |
0,75 |
15,7 |
20 |
МРВ02-0,75 / 280 |
5,14 |
280 |
25 |
МРВ02-0,75 / 180 |
7,7 |
180 |
38 |
МРВ02-0,25 / 85 |
16 |
85 |
27 |
АИР63А4 |
0,25 |
6,1 |
12 |
МРВ02-0,25 / 56 |
26,42 |
56 |
40 |
МРВ02-0,12 / 25 |
26,42 |
25 |
44 |
АИР56А4 |
0,12 |
4,3 |
10 |
МРВ04-0,75 / 85 |
16 |
85 |
80 |
АИР71В4 |
0,75 |
15,7 |
26 |
МРВ04-0,75 / 56 |
25,2 |
56 |
124 |
МРВ04-0,25 / 37,5 |
39,6 |
37,5 |
62 |
АИР63А4 |
0,25 |
6,1 |
16 |
МРВ04-0,25 / 25 |
59,44 |
25 |
92 |
|
| |
|
| ©
2014 Редукторы, мотор-редукторы, устройства плавного пуска, преобразователи частоты |
|
|